Our activities
Technologies
Other resources
Search:
Show only changes
DCR:
127
Number:
127
Title:
Name:
S Thacker
E-mail:
steve.thacker@igg.co.uk
Organisation:
ESA/ESTEC
Changes required for:
General
Status:
Implemented
Date status:
2004-06-29
Signature:
Document attachments:
DCR_9202043_details.jpg
Modifications:
No modifications
Documents affected:
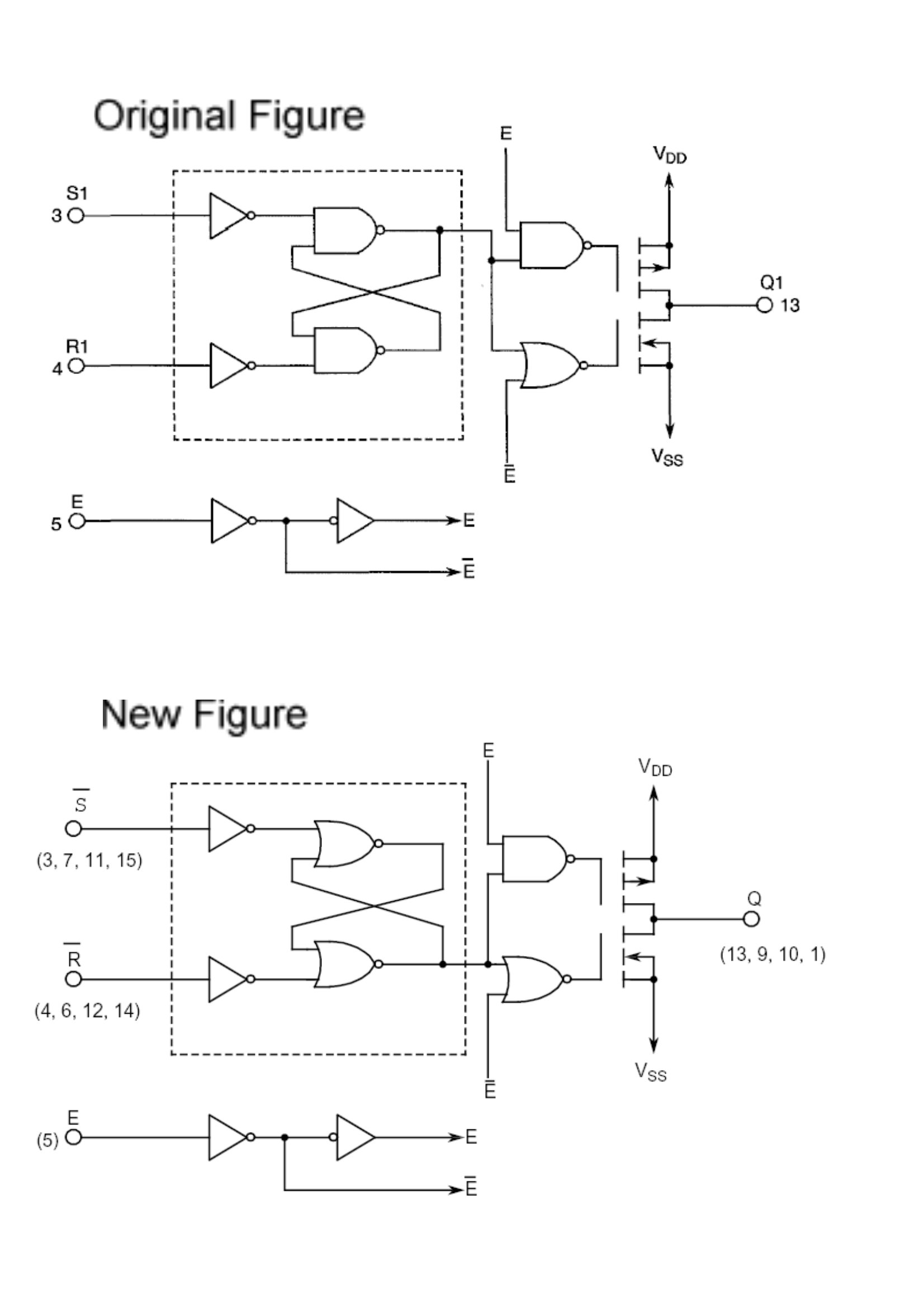
(9202/043) CMOS Quad 3-State NAND R/S Lat ...
Other DCRs affecting these documents:
DCR90
Changes
Menu
Are you sure you want to delete this menu item?
Yes
Cancel
Optimized for:
© 2010 European Space Agency. All rights reserved.
Display Sitemap
Hide Sitemap